Mon panier
Il n'y a plus d'articles dans votre panier
Commandable sans stock : livraison de 2 à 3 semaines suivant les disponibilités fournisseur
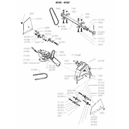
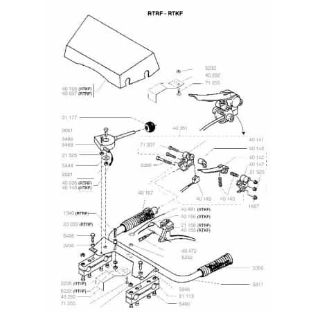
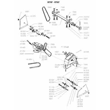
Machine compatible Wolf : TS - TKOE - TKO - TKF - THF - TECO - TEC - TEBF - TEBE - TEB - TBF - TB - TAKF - TAK - TAF - TAE - TA - T51K2F - T51B2F - RTRF - RTKF - RM46FO - RM46BO - RM46BF - RM46B - PVT - PRT - PNT - PMTF - PMT - PKTS - PKTO - PKTF - PITS - PIT - PHTF - PHT - PHPF - PGTF - PGT - PFTS - PFT - PCTE - PCT - PBTF - PBT - PATS - PATF - PAT - M53I - M53B - BE 3000 - A85KM - A85KF - A85BM - A80PH2 - A80P3 - A80P2 - A80KM - A80KE - A80K3 - A80K2 - A80H2 - A80B2 - A100K
- Modèle machine
- A80B2
A80H2
A80K2
A80K3
A80KE
A80KM
A80P2
A80P3
A80PH2
A85BM
A85KF
A85KM
A100K
BE 3000
M53B
M53I
PAT
PATF
PATS
PBT
PBTF
PCT
PCTE
PFT
PFTS
PGT
PGTF
PHPF
PHT
PHTF
PIT
PITS
PKTF
PKTO
PKTS
PMT
PMTF
PNT
PRT
PVT
RM46B
RM46BF
RM46BO
RM46FO
RTKF
RTRF
T51B2F
T51K2F
TA
TAE
TAF
TAK
TAKF
TB
TBF
TEB
TEBE
TEBF
TEC
TECO
THF
TKF
TKO
TKOE
TS - Marque machine
- Outils Wolf
- Pour quelle machine ?
- Autoportee
Broyeur
Faucheuse
Mulcheuse
Tondeuse
