Mon panier
Il n'y a plus d'articles dans votre panier
Produit en stock : livrable sous 3 à 5 jours
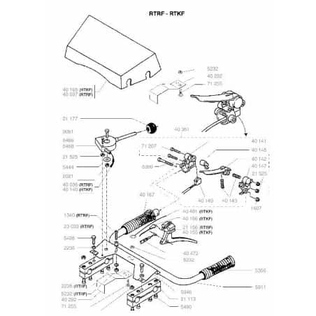
Machine compatible Wolf : TAI - TAHF - TAH - T51XP - T51K2P - T51K2F - T51F1P - T51BP - T51B2F - RTRF - RTKF - RT53X1 - RT53X - RT53KS - RT53K3 - RT53K - RM53H - RM53CF - RM53B - P32A1 - NJ - NF - F51K - BE 3000 - A100K
- Modèle machine
- A100K
BE 3000
F51K
NF
NJ
P32A1
RM53B
RM53CF
RM53H
RT53K
RT53K3
RT53KS
RT53X
RT53X1
RTKF
RTRF
T51B2F
T51BP
T51F1P
T51K2F
T51K2P
T51XP
TAH
TAHF
TAI - Marque machine
- Outils Wolf
- Pour quelle machine ?
- Autoportee
Broyeur
Faucheuse
Mulcheuse
Tondeuse
