Mon panier
Il n'y a plus d'articles dans votre panier
Commandable sans stock : livraison de 2 à 3 semaines suivant les disponibilités fournisseur
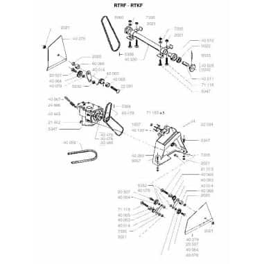
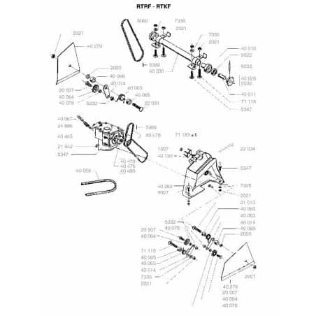
Machine compatible Wolf : RTRF - RTKF - RM53H - RM53CF - RM53B - PXM - PXM2 - PMTF - PMT - PKTS - PKTO - PKTF - PHTF - PGTF - PGT - PG - PFTS - PFT - PF - PCTE - PBTF - PATF - PAT - NFM - SETNFM - SETFM2 - NFM - SETNFM - SETFM2 - M53I - M53B - F51K - A80P3 - A80KM - A80KE - A80K3 - A80K2 - A80H2 - A80B2 - A100K
- Modèle machine
- A80B2
A80H2
A80K2
A80K3
A80KE
A80KM
A80P3
A100K
F51K
M53B
M53I
NFM - SETNFM - SETFM2
PAT
PATF
PBTF
PCTE
PF
PFT
PFTS
PG
PGT
PGTF
PHTF
PKTF
PKTO
PKTS
PMT
PMTF
PXM - PXM2
RM53B
RM53CF
RM53H
RTKF
RTRF - Marque machine
- Outils Wolf
- Pour quelle machine ?
- Autoportee
Faucheuse
Mulcheuse
Outillage
Tondeuse
